Маломощные бестранформаторные преобразователи напряжения на конденсаторах (18 схем)
Задающий генератор
Задающий генератор бестрансформаторных преобразователей напряжения быть может выполнен по типовой схеме, базисный элемент 1 которой (рис. 1) выполнен на базе симметричного мультивибратора.
В качестве примера элементы блока могут иметь последующие характеристики: R1=R4=1 кОм; R2=R3=10 кОм С1=С2=0,01 мкФ. Транзисторы — маломощные, к примеру, КТ315. Для увеличения мощи выходного сигнала применен типовой блок усилителя 2.

Рис. 1. Схемы базисных частей бестрансформаторных преобразователей: 1 — задающий генератор; 2 — типовой блок усилителя.
Бестрансформаторный преобразователь напряжения
Бестрансформаторный преобразователь напряжения состоит из 2-ух типовых частей (рис. 2): задающего генератора 1 и двухтактного ключа-усилителя 2, также умножителя напряжения (рис. 2).
Преобразователь работает на частоте 400 Гц и обеспечивает при напряжении питания 12,5 В выходное напряжение 22В при токе нагрузки до 100 мА (характеристики частей: R1=R4=390 Ом. R2- R3=5,6 кОм, C1=C2=0,47 мкФ). В блоке 1 применены транзисторы КТ603А — б; в блоке 2 — ГТ402В(Г) и ГТ404В(Г).

Рис. 2. Схема бестрансформаторного преобразователя с удвоением напряжения.

Рис. 3. Схемы преобразователей напряжения на базе типового блока.
Преобразователь напряжения построенный на базе типового блока, описанного чуть повыше (рис. 1), можно применить для получения выходных напряжений разчой полярности так, как это показано на рис. 3.
Для первого варианта на выходе формируются напряжения +10 В и -10 В; для второго — +20 В и -10 В при питании устройства от источника напряжением 12В.

Применение
Зачем пригождается этот инвертор и в каких практических случаях он пригождается? К примеру, если нужна стабилизация выходного напряжения, то ей должен соответствовать неизменный ток 400 В, потому что 310 В будет очень не много для этого.
Чтоб настройка инверторов egs002 на трансформаторе была правильной, рекомендуется коммутировать ключи впрямую. Дроссель с конденсатором, которые находятся в красноватом квадратике, смотря на схему, сглаживают артефакты ШИМ.
Количество вольт тут будет зависеть от Огромного Стального Трансформатора, который сокращенно именуют БЖТ. Конкретно от его черт будет зависеть достаточное для преобразования напряжение. В принципе, можно взять БЖТ даже от старенького UPS.

Схема преобразователя для питания тиратронов 90В
Для питания тиратронов напряжением приблизительно 90 В использована схема преобразователя напряжения по рис. 4 с задающим генератором 1 и параметрами частей: R1=R4=-1 кОм, R2=R3=10 кОм, С1 =С2=0,01 мкФ.
Тут могут быть применены обширно всераспространенные маломощные транзисторы. Умножитель имеет коэффициент умножения 12 и при имеющемся напряжении питания можно было бы ждать на выходе приблизительно 200В, но реально из-за утрат это напряжение составляет всего 90 В, и величина его стремительно падает с повышением тока нагрузки.

Рис. 4. Схема преобразователя напряжения с многокаскадным умножителем.
Представляю самый небольшой, лёгкий и достаточно обычный в повторении сварочный инвертор. Он позволяет проводить сварочные работы электродами поперечником до 3мм.
Свойства инвертора
- Размеры (ДхШхВ) — 180х105х80;
- Вес — 1100 гр;
- Ток — 80А, можно выдавить до 100А;
- Ток холостого хода — 170-200мА;
- Напряжение холостго хода — 60 вольт.
Инвертор собран в корпусе компьютерного блока питания.

Из-за нехватки места в этом корпусе не удалось обеспечить неплохой обдув радиаторов силовых компонент, потому он не предназначен для длительной работы, но сжечь несколько электродов попорядку с его помощью можно.
Делать инвертор с нуля достаточно недешево, отличные уникальные детали дорогие, нужен опыт работы с импульсными источниками питания и в силовой электронике в целом, лучше и прибыльнее приобрести фабричный инвертор, а если решили собрать — то делайте полноразмерный инвертор и не скупитесь на охлаждении.
Схема инвертора

Данный сварочный инвертор — это однотактный прямоходовый преобразователь построенный на ШИМ контроллере UC3844. Выход микросхемы через драйвер управляет IGBT транзистором. Схема снабжена плавным запуском, защитой по перегреву. Оборотная связь по току реализована через токовый трансформатор.
Инвертор собран на трёх платах:
- все силовые составляющие, трансформатор, дроссель, выпрямители, силовой транзистор и входная цепь расположены на материнской плате;
- схема управления;
- дежурный источник питания.

Схема управления
Более половины компонент, которые есть на схеме находятся на этой малогабаритной печатной плате

В авторской версии вся схема собрана на одной плате, в моем же случае чтоб аппарат был очень малогабаритным управление перенес на отдельную плату. Она вышла очень малогабаритная, меньше сделать очень тяжело если использовать выводные составляющие, а не смд. Установка очень плотный, на плате всего одна перемычка.
После сборки плата была испытана. На вход стабилизатора либо диодика подается напряжение около 30 вольт. База и эмиттер транзистора VT1 замыкаем меж собой имитируя замкнутый термовыключатель, по другому сработает защита по перегреву и реле замкнет регулятор тока и как следствие микросхема не станет производить последовательность импульсов. К выходу драйвера подключаем щуп осцилографа и смотрим прекрасный меандр с частотой порядка 30 кГц и наполнением около 44-х процентов. Проверяем защиту, убрав ранее установленную перемычку. Должно сработать реле, засветиться красноватый светодиод и заблокироваться работа микросхемы ШИМ. Плата управления готова, в доп наладке эта часть не нуждается, если все собрано правильно, составляющие исправны и нет соплей на плате.
Начальная схема работает на частоте в 30 кГц, вначале желал поднять ее, также конфигурацией соотношения количества витков обмоток снять с сердечника огромную мощность, но конечные расчеты проявили, что с сердечника даже при 30-и килогерцах расслабленно можно взять мощность около 2-2,2кВт, а это кое-где 80-90 Ампер тока, если учесть просадку напряжения при сварке, приблизительно до 24-х вольт.
С учетом этого аппарат без заморочек совладевает с электродами в 3мм, но в моем агрегате для страховки наибольший ток ограничен на уровне 80 Ампер.
Силовой трансформатор
Потому что сварочный аппарат планировался на маленький выходной ток в районе 80 ампер, трансформатор покажется небольшим, но его хватает, хотя и работает он практически на пределе собственных способностей.
Схема однотактная и меж половинками сердечника нужен немагнитный зазор 0,1-0,2мм, таковой зазор без заморочек можно сделать если использовать сердечник из 2-ух половинок, к примеру Ш-образный. Но неувязка заключалась в том, что у меня в наличии не было такового сердечника с нужной габаритной мощью, единственные приемлимо отличные сердечники были колцевого типа размером 47х26,5х15,5мм. Таковой сердечник отлично будет работать в двухтактной схеме, в однотактной же нужен зазор.
Поначалу делаем разметки, потом пилим сердечник, не вполне, пол мм сполна хватит.

Дальше устанавливаем сердечник на древесные бруски приблизительно так, как это показано, в середине на месте пропила ставим железный пруток и аккуратненько, но очень бьем по нему молотком. В конечном итоге получаем две ровненькие половинки. Дальше берем чек от банкомата, нарезаем две полосы и приклеиваем на одну из половинок при помощи суперклея, клея много не нужно.

Стягиваем половинки сердечника к примеру каптоновым скотчем. В целом данный сердечник имеет изоляцию в виде краски, но доп изоляция не будет излишней.

После мотаем первичную обмотку, в моем случае для намотки применен провод 1,2мм, расчет выполнялся по программке, естественно в случае других сердечников получим другие намоточные данные, потому количество витков указывать не вижу смысла. В данной схеме чрезвычайно значимо солблюдать начало намотки, на схеме они указаны точками, потому после намотки каждой из обмоток начала намотки лучше промаркировать.
Витки умеренно растянуты по всему кольцу, после намотки ставим изоляцию и мотаем фиксирующую обмотку.

Количество витков тоже самое, что и в случае первичной обмотки, но провод естественно тоньше, я использовал провод 0,3мм.

Мотать необходимо так, чтоб витки фиксирующей обмотки находились меж витками первичной обмотки.
После намотки фиксирующей обмотки снова ставим изоляцию и мотаем вторичную обмотку из 80 параллельных жил проводом 0,22мм. Жгут дополнительно изолирован каптоновым скотчем.

Трансформатор тока намотан на маленьком кольцевом ферритовом магнитопроводе, проницаемость сердечника 2400.

Поначалу сердечник был изолирован каптоновым скотчем, потом намотана вторичная обмотка. Количество витков около 80, для намотки был применен провод с поперечником 0,24мм. Обмотка умеренно растянута по всему кольцу. Вторичная обмотка один виток двойным проводом по 1,2мм.
Для выходного дросселя в качестве сердечника взят тор размером 38,8х21х11,4 мм из порошкового железа. Кольцо имеет зелено голубий окрас, специально создано для работы в качестве выходного дросселя.

Для намотки был применен жгут из 80 жил изолированных друг от друга проводов с поперечником 0,22мм любая жила, другими словами точно тоже самое, что и в случае вторичной обмотки трансформатора.

Индуктивность дросселя вышла около 35 микрогенри и этого не достаточно, лучше индуктивность сделать в районе от 80 до 120 мкГн.

Выводы обмотки дросселя были очищены от лака, залужены.
Несколько слов о девайсов
Входной электролит 450 вольт с низким внутренним сопротивлением, от неплохого изготовителя, емкость 470мкФ.

Реле в схеме плавного запуска полноразмерное 30-и амперное, как у огромных инверторов, хотя плату вначале разрабатывал для установки более малогабаритного реле.

Силовой IGBT транзистор, диоды в высоковольтной цепи преобразователя те, что по схеме, никаких отклонений.

В выходном выпрямителе применены быстродействующие диодные сборки STTH6003. В одной таковой сборке 2 диодика с током в 30 ампер, катод общий, аноды также включены параллельно, в конечном итоге получаем аналог 60-и амперного диодика, оборотное напряжение сборки 300 вольт.

Сборки установлены на общий радиатор, подложки не изолированы, т.к. катоды общие, выходной плюс снимается с радиатора.
Входной выпрямитель — в виде готового диодного моста KBJ2510, с током в 25 ампер и оборотным напряжением в 1000 вольт.

Резистор в цепи плавного запуска на 5-10 ватт, сопротивление 10-30 Ом.
Дежурный блок питания
Это готовый источник питания всеприменимого типа, который куплен на али и предназначен для работы в индукционных плитах в качестве дежурки, мощью около 7 ватт.

Он выдает три напряжения: 5 вольт, 12 вольт и 18 вольт. Выходные напряжения задаются стабилитроном на 18 вольт. Этот стабилитрон я поменял на 24-х вольтовый, выбросил цепь 5 вольт, поменял некие конденсаторы на выходе на более высоковольтные и в конечном итоге дежурка стала выдавать два напряжения: 15 вольт и 24 вольта.
1-ое напряжение необходимо для питания вентилятора, он у меня на 12 вольт, 2-ое напряжение питает управление и реле. Такая дежурка имеет плавный запуск, защиту от маленьких замыканий, построена всего на одной микросхеме.
Радиаторы остывания взяты от компьютерных блоков питания, с учетом наличия активного остывания и наибольшего тока сварки их хватает.

После сборки аппарат заработал сразу, без каких-то отклонений. 1-ый пуск делался через страховочную лампу на 100 ватт, на осциллографе форма импульсов на всех обмотках верная, напряжение холостого хода около 60Вольт.
Проверяем работу системы ограничения тока. Для начала ставим регулятор тока на минимум, цепляемся осциллографом на затвор силового транзистора и делаем куцее замыкание на выходе, лицезреем, что продолжительность управляющих импульсов резко уменьшается, ток ограничивается, если этого не происходит, меняем местами начало и конец вторичной обмотки токового трансформатора.
Силовые дорожки на печатной плате дополнительно армированы медными лентами.

Выходные клеммы от массивного преобразователя 12-220 Вольт.

Для надёжности трансформаторы, дроссель и пара вертикальных плат были дополнительно приклеены к материнской плате при помощи эпоксидки.
На балласте инвертор выдал добросовестные 80 ампер, малый ток сделал в районе 20 ампер, при всем этом имеем уверенный розжиг дуги. Благодаря малому значению малого тока можно сваривать даже узкую жесть.
Интегральная схема
С почтением — АКА КАСЬЯН
Инвертор полярности напряжения из (+) в (-)
Для получения инвертированного выходного напряжения также быть может применен преобразователь на базе типового узла (рис. 1). На выходе устройства (рис. 5) появляется напряжение, обратное по знаку напряжению питания.

Рис. 5. Схема инвертора напряжения.
По абсолютной величине это напряжение несколько ниже питающего напряжения, что обосновано падением напряжения (потерями напряжения) на полупроводниковых элементах. Чем ниже напряжение питания схемы и чем выше ток нагрузки, тем больше эта разница.
Инвертирующий преобразователь импульсного типа
Инвертирующий преобразователь импульсного типа содержит все то же сочетание главных частей, но опять в ином их соединении (рис. 3): к источнику питания подключена поочередная цепочка из коммутирующего элемента S1, диодика VD1 и сопротивления нагрузки RH с конденсатором фильтра С1.
Индуктивный накопитель энергии L1 включен меж точкой соединения коммутирующего элемента S1 с диодиком VD1 и общей шиной.
Рис. 3. Импульсное преобразование напряжения с инвертированием.
Работает преобразователь так: при замыкании ключа энергия запасается в индуктивном накопителе. Диодик VD1 закрыт и не пропускает ток от источника питания в нагрузку. При выключении ключа ЭДС самоиндукции накопителя энергии оказывается приложенной к выпрямителю, содержащему диодик VD1, сопротивление нагрузки Rн и конденсатор фильтра С1.
Так как диодик выпрямителя пропускает в нагрузку только импульсы отрицательного напряжения, на выходе устройства формируется напряжение отрицательного знака (инверсное, обратное по знаку напряжению питания).
Преобразователь (удвоитель) напряжения
Преобразователь (удвоитель) напряжения (рис. 6) содержит задающий генератор 1 (1 на рис. 1.1), два усилителя 2 (2 на рис. 1.1) и выпрямитель по мостовой схеме (VD1 — VD4).

Рис. 6. Схема удвоителя напряжения завышенной мощи.
Блок 1: R1 =R4=100 Ом; R2=R3=10 кОм; C1=C2=0,015 мкФ, транзисторы КТ315.
Блок 2: транзисторы ГТ402, ГТ404.
Понятно, что мощность, передаваемая из первичной цепи во вторичную, пропорциональна рабочей частоте преобразования, потому сразу с ее ростом уменьшаются емкости конденсаторов и, как следует, габариты и цена устройства.
Данный преобразователь обеспечивает выходное напряжение 12В (на холостом ходу). При сопротивлении нагрузки 100 Ом выходное напряжение понижается до 11 В; при 50 Ом — до 10 В; а при 10 Ом — до 7 В.
Дроссель
Для того, чтоб без заморочек поменять количество витков для получения 400 В изготовлены особые отводы. После моста рекомендуется выдернуть дроссель из БП, где он был применен как ДГС, а так же были включены обмотки, при чем – поочередно, для того, чтоб получить нужные 2-2,2 мГн. Для справки, дроссель L1 – транс от БП на 400 Вт, в каком 80 витков провода шириной 0,8 мм.
Изначальная версия AC/DC создавалась на маленьком трансе, при всем этом – с нагрузкой в 300 Вт уже не осиливала мощность выше той, что была указана. К тому же, число витков, отмеченное на схеме, не вмещалось на каркасе.

Двуполярный преобразователь со средней точкой
Преобразователь напряжения (рис. 7) позволяет получить на выходе два разнополярных напряжения с общей средней точкой. Такие напряжения нередко используют для питания операционных усилителей. Выходные напряжения близки по абсолютной величине напряжению питания устройства и при изменении его величины меняются сразу.

Рис. 7. Схема преобразователя для получения разнополярных выходных напряжений.
Транзистор VT1 — КТ315, диоды VD1 и VD2—Д226.
Блок 1: R1=R4=1,2 кОм; R2=R3=22 кОм; С1=С2=0,022 мкФ, транзисторы КТ315.
Блок 2: транзисторы ГТ402, ГТ404.
Выходное сопротивление удвоителя — 10 Ом. В режиме холостого хода суммарное выходное напряжение на конденсаторах С1 и С2 равно 19,25 В при токе употребления 33 мА. При увеличении тока нагрузки от 100 до 200 мА это напряжение понижается с 18,25 до 17,25 В.
Повышающий импульсный преобразователь
Повышающий импульсный преобразователь напряжения (рис. 2) выполнен на тех же главных элементах, но имеет другое их сочетание: к источнику питания подключена поочередная цепочка из индуктивного накопителя энергии L1, диодика VD1 и сопротивления нагрузки RH с параллельно присоединенным конденсатором фильтра С1. Коммутирующий элемент S1 включен меж точкой соединения накопителя энергии L1 с диодиком VD1 и общей шиной.
Рис. 2. Принцип деяния повышающего преобразователя напряжения.
При открытом ключе ток от источника питания протекает через катушку индуктивности, в какой запасается энергия. Диодик VD1 при всем этом закрыт, цепь нагрузки отключена от источника питания, ключа и накопителя энергии.
Напряжение на сопротивлении нагрузки поддерживается благодаря запасенной на конденсаторе фильтра энергии. При размыкании ключа ЭДС самоиндукции суммируется с питающее напряжение, запасенная энергия передается в нагрузку через открытый диодик VD1. Приобретенное таким методом выходное напряжение превосходит напряжение питания.
Преобразователи-инверторы с задающим генератором на КМОП-элементах
Задающий генератор преобразователя напряжения (рис.
выполнен на 2-ух КМОП-элементах, К его выходу подключен каскад усиления на транзисторах VT1 и VT2. Инвертированное напряжение на выходе устройства с учетом утрат преобразования на несколько процентов (либо 10-ов процентов — при низковольтном питании) меньше входного.

Рис. 8. Схема преобразователя напряжения-инвертора с задающим генератором на КМОП-элементах.
Схожая схема преобразователя изображена на последующем рисунке (рис. 9). Преобразователь содержит задающий генератор на КМОП-микросхеме, каскад усиления на транзисторах VT1 и VT2, схемы удвоения выходного импульсного напряжения, конденсаторные фильтры и схему формирования искусственной средней точки на базе пары стабилитронов.
На выходе преобразователя формируются последующие напряжения: +15 б при токе нагрузки 13… 15 мА и -15 В при токе нагрузки 5 мА.

Рис. 9. Схема преобразователя напряжения для формирования разнополярных напряжений с задающим генератором на КМОП-элементах.
На рис. 10 показана схема выходного узла бестрансформаторного преобразователя напряжения.

Рис. 10. Схема выходного каскада бестрансформаторного преобразователя напряжения.
Этот узел практически является усилителем мощи. Для управления им можно использовать генератор импульсов, работающий на частоте 10 кГц.
Без нагрузки преобразователь с таким усилителем мощи потребляет ток около 5 мА. Выходное напряжение приближается к 18 В (удвоенному напряжению питания). При токе нагрузки 120 мА выходное напряжение уменьшается до 16 б при уровне пульсаций 20 мВ. КПД устройства около 85%, выходное сопротивление — около 10 Ом.
При работе узла от задающего генератора на КМОП-элементах установка резисторов R1 и R2 не неотклонима, но для ограничения выходного тока микросхемы лучше соединить ее выход с транзисторным усилителем мощи через резистор сопротивлением в несколько кОм.
Узлы и схемы импульсных преобразователей
Задающий генератор (рис. 4) импульсных преобразователей с нестабилизированным выходным напряжением (рис. 5, 6) на микросхеме КР1006ВИ1 работает на частоте 65 кГц. Выходные прямоугольные импульсы генератора через RC-цепоч-ки подаются на транзисторные главные элементы, включенные параллельно.
Катушка индуктивности L1 выполнена на ферритовом кольце с наружным поперечником 10 мм и магнитной проницаемостью 2000. Ее индуктивность равна 0,6 мГн. Коэффициент полезного деяния преобразователя добивается 82%.

Рис. 4. Схема задающего генератора для импульсных преобразователей напряжения.

Рис. 5. Схема силовой части повышающего импульсного преобразователя напряжения +5/12 В.

Рис. 6. Схема инвертирующего импульсного преобразователя напряжения +5/-12 В.
Амплитуда пульсаций на выходе не превосходит 42 мВ и находится в зависимости от величины емкости конденсаторов на выходе устройства. Наибольший ток нагрузки устройств (рис. 5, 6) составляет 140 мА.
В выпрямителе преобразователя (рис. 5, 6) применено параллельное соединение слаботочных высокочастотных диодов, включенных поочередно с разглаживающими резисторами R1 — R3.
Вся эта сборка быть может заменена одним нынешним диодиком, рассчитанным на ток более 200 мА при частоте до 100 кГц и оборотном напряжении более 30 В (к примеру, КД204, КД226).
В качестве VT1 и VT2 может быть внедрение транзисторов типа КТ81х структуры п-р-п — КТ815, КТ817 (рис. 4.5) и р-п-р — КТ814, КТ816 (рис. 6) и другие.
Для увеличения надежности работы преобразователя рекомендуется включить параллельно переходу эмиттер — коллектор транзистора диодик типа КД204, КД226 таким образом, чтоб для неизменного тока он был закрыт.
Преобразователь напряжения для управления варикапами
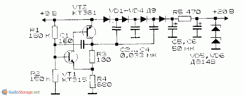
Обычная схема преобразователя напряжения для управления варикапами неоднократно воспроизведена в разных журнальчиках. Преобразователь производит 20 В при питании от 9 б, и такая схема показана на рис. 11.
На транзисторах VT1 и VT2 собран генератор импульсов, близких к прямоугольным. Диоды VD1 — VD4 и конденсаторы С2 — С5 образуют умножитель напряжения, а резистор R5 и стабилитроны VD5, VD6 — параметрический стабилизатор напряжения.

Рис. 11. Схема преобразователя напряжения для варикапов.
Схема двуполярного импульсного преобразователя
Для питания многих электрических устройств требуется источник двухполярного напряжения, обеспечивающий положительное и отрицательное питающего напряжения. Схема, приведенная на рис. 11, содержит еще наименьшее число компонент, чем подобные устройства, благодаря тому, что она сразу делает функции повышающего и инвертирующего индуктивного преобразователя.

Рис. 11. Схема преобразователя с одним индуктивным элементом.
Схема преобразователя (рис. 11) употребляет новое сочетание главных компонент и содержит в себе генератор четырехфазных импульсов, катушку индуктивности и два транзисторных ключа.
Управляющие импульсы сформировывает D-триггер (DD1.1). В течение первой фазы импульсов катушка индуктивности L1 запасается энергией через транзисторные ключи VT1 и VT2. В течение 2-ой фазы ключ VT2 размыкается, и энергия передается на шину положительного выходного напряжения.
Во время третьей фазы замыкаются оба ключа, в итоге чего катушка индуктивности вновь копит энергию. При размыкании ключа VT1 во время заключительной фазы импульсов эта энергия передается на отрицательную шину питания. При поступлении на вход импульсов с частотой 8 кГц схема обеспечивает выходные напряжения ±12 В. На временной диаграмме (рис. 11, справа) показано формирование управляющих импульсов.
В схеме можно использовать транзисторы КТ315, КТ361.
Преобразователь напряжения на КМОП микросхеме

Рис. 12. Схема преобразователя напряжения на КМОП микросхеме.
Обычной преобразователь напряжения на одной только КМОП-микросхеме с наименьшим числом подвесных частей можно собрать по схеме на рис.12.
Главные характеристики преобразователя при различных напряжениях питания и токах нагрузки приведены в таблице 1.
Таблица 1. Характеристики преобразователя напряжения (рис. 12):
| Uпит, В | Івых. мА | Uвых, В |
| 10 | 5 | 17 |
| 10 | 10 | 16 |
| 10 | 15 | 14,5 |
| 15 | 5 | 27,5 |
| 15 | 10 | 26,5 |
| 15 | 15 | 25,5 |
Двуполярный преобразователь

Рис. 13. Схема выходного каскада формирователя двухполярного напряжения.
Для преобразования напряжения 1-го уровня в двухполярное выходное напряжение быть может применен преобразователь с выходным каскадом по схеме на рис. 13.
При входном напряжении преобразователя 5В на выходе получаются напряжения +8В и -8В при токе нагрузки 30 мА. КПД преобразователя составил 75%. Значение КПД и величину выходного напряжения можно прирастить за счет использования в выпрямителе-умножителе напряжения диодов Шотки. При увеличении питающего напряжения до 9 В выходные напряжения растут до 15 В.
Ориентировочный аналог транзистора 2N5447 — КТ345Б; 2N5449 — КТ340Б. В схеме можно использовать и поболее всераспространенные элементы, к примеру, транзисторы типа КТ315, КТ361.
Схемы
Схемы
Схемы
Найдено: 4,459 Вывод: 1-10
- Мощнейший понижающий DC-DC преобразователь 5 В/7 А с широким спектром входного напряжения
Схемы Питание Texas Instruments LM5116
Rajkumar Sharma electronics-lab.com В статье мы разглядим конструкцию модуля, представляющего из себя мощнейший неизолированный понижающий DC-DC преобразователь с выходным напряжением 5 В и выходным током до 7 А (Набросок 1). Главные отличительные …
50V to 5V/7A Synchronous Buck (Step-down) Converter
Rajkumar Sharma electronics-lab.com This module is a non-isolated 7 A DC-DC converter. The module can convert any DC voltage between 7 V to 50 V to a 5 V DC with load current up to 7 A (Figure 1). The project has been designed around LM5116 Wide …
30-04-2020
- Миллиомметр с ЖК-индикатором на Arduino своими руками
Схемы Arduino ·
Измерения MCP3422 LT3092 ULN2003
У каждого радиолюбителя, инженера, создателя есть различного рода измерительные приборы. Это могут быть как сложные функциональные приборы промышленного производства, так и обыкновенные вольтметры, амперметры, измерители емкости аккумов, …
Arduino based Milliohm Meter with LCD display
Emmanuel Odunlade electronics-lab.com One of the best things about being a maker is the ability to make your own tools. We have covered the development of several electronics tools in past, from voltmeters to battery testers. For today’s …
24-04-2020
- Генератор с независящей регулировкой ширины и частоты импульсов
Схемы Генераторы Texas Instruments LM555
Журнальчик РАДИОЛОЦМАН, январь 2020 Davinder Oberoi EDN Автоколебательный мультивибратор является пользующимся популярностью источником прямоугольных импульсов, полезным для многих приложений, таких как схемы синхронизации и звуковые извещатели. Один из более …
Generator has independent pulse width, frequency
Davinder Oberoi EDN A common circuit in electronics is the square-wave, astable multivibrator (one-shot), which is useful for various purposes, such as timing circuits and audible alarms. The most common way to generate the desired square wave is …
20-04-2020
- Монитор токового шунта в положительном полюсе нагрузки уменьшает ошибку
Схемы Измерения ·
Питание Analog Devices AD8603
Журнальчик РАДИОЛОЦМАН, январь 2020 Mari?n ?tofka EDN Схема на Рисунке 1 является кандидатурой монитору токового шунта, описанному в предшествующей статье [ 1 ]. В той схеме использовалась микросхема AD8212 компании Analog Devices с наружным …
High-side current-shunt monitor offers reduced error
Mari?n ?tofka EDN The circuit in Figure 1 is an alternative to a high-side current monitor in a recent Design Idea (Reference 1). That monitor uses the Analog Devices AD8212 and an external high-voltage bipolar PNP transistor. The …
20-04-2020
- Оптоэлектронный реверсивный канал передачи данных
Схемы Интерфейсы Broadcom HCPL-181
Журнальчик РАДИОЛОЦМАН, январь 2020 Миша Шустов, г. Томск Предложены варианты схем реализации оптоэлектронных реверсивных каналов передачи цифровой и аналоговой инфы Реверсивные каналы передачи данных позволяют создавать передачу аналоговой …
19-04-2020
- Схема обычного FSK модулятора
Схемы Цифровые ON Semiconductor NL27WZ14
Журнальчик РАДИОЛОЦМАН, январь 2020 Shyam Tiwari EDN По мере надобности сотворения малогабаритной телеметрической системы появляется неувязка разработки маленького легкого устройства с наименьшим числом компонент. Сопряжение с поочередными данными из …
Circuit makes simple FSK modulator
by Shyam Tiwari EDN The need for a compact telemetry system poses a challenge for designing a small, light, low-component-count system. Interfacing serial data from the microprocessor is also difficult because most low-cost RF transmitters do not …
18-04-2020
- Делаем высокочувствительный сенсор электрического поля
Схемы Arduino ·
Измерения · Начинающим · Применение микроконтроллеров
Mirko Pavleski Arduino.cc Обычной в сборке, но высокочувствительный, сенсор электрического поля на Arduino Это обычное устройство способно обнаруживать даже очень слабенькие электрические поля. Относительная напряженность поля отображается в …
DIY Ultra Sensitive EMF Detector
Mirko Pavleski Arduino.cc A simple to build, but very sensitive electromagnetic field detector. This is a simple device capable of detecting very weak electromagnetic fields (Figure 1). The relative field intensity is displayed on the LCD display …
18-04-2020
- Монитор токового шунта компенсирует ошибки
Схемы Аналоговая схемотехника ·
Измерения Analog Devices AD8212
Журнальчик РАДИОЛОЦМАН, январь 2020 Chau Tran и Paul Mullins, Analog Devices EDN Время от времени бывает нужно измерить токи нагрузки до 5 А при наличии синфазного напряжения, достигающего 500 В. Для этого можно пользоваться высоковольтным монитором …
Current monitor compensates for errors
Chau Tran and Paul Mullins, Analog Devices EDN You sometimes need to measure load currents as large as 5 A in the presence of a common-mode voltage as high as 500 V. To do so, you can use Analog Devices’ AD8212 high-voltage current-shunt …
17-04-2020
- Силовой модуль 20 А/40 В для управления бесколлекторными электродвигателями
Схемы Силовая электроника ON Semiconductor STK984-090A
Rajkumar Sharma Electronics-lab.com Проект, рассмотренный в статье, выполнен на микросхеме STK984-090A компании ON Semiconductor, которая представляет собой интегральный инвертор с номинальным током 20 А и питающее напряжение до 40 В (Набросок 1). …
20A/40V Integrated Power Module for DC Brushless Motors (BLDC)
Rajkumar Sharma Electronics-lab.com This project is based on STK984-090A from ON Semiconductor which is a fully-integrated inverter with current rating 20 A and supply voltage 40 V DC (Figure 1). It has been designed to drive the Brushless DC …
17-04-2020
- Делаем пульсоксиметр и фотоплетизмограф на микроконтроллере ATtiny85
Схемы Arduino ·
Измерения · Медицина · Применение микроконтроллеров ATtiny85 SSD1306 MAX30102
Jeff Magee create.arduino.cc Примечание: устройство не предназначен для использования в мед целях. Устройство позволяет определять частоту пульса, уровень кислорода в крови и динамический график сердечного ритма фотоплетизмограмму. …
ATtiny85 Pulse Oximeter and Photoplethysmograph
Jeff Magee It is emphasised that this should not be used for medical purposes. Displays your pulse rate, blood oxygen level and a moving graph of each heart beat, the photoplethysmogram (PPG). About this project This project implemented on an …
15-04-2020
1
…
Срезы
- Измерения
- Микроконтроллеры
- Силовая Электроника
- Электрические составляющие
- Подписка на обновления
- Журнальчик «РадиоЛоцман»
- Размещение прайс листов
- Контакты
- Политика конфиденциальности (en)
- Поменять опции конфиденциальности
Схема преобразователя-инвертора на микросхеме КР1006ВИ1
Для схем преобразователей напряжения, построенных по принципу умножителей импульсного напряжения, могут быть применены самые различные генераторы сигналов прямоугольной формы.
Такие генераторы нередко строят на микросхеме КР1006ВИ1 (рис. 14) . Выходной ток этой микросхемы достаточно большой (100 мА) и нередко возможно обойтись без каскадов доп усиления.
Генератор на микросхеме DA1 (КР1006ВИ1) производит прямоугольные импульсы, частота следования которых определяется элементами R1, R2, С2. Эти импульсы с вывода 3 микросхемы подаются на умножитель напряжения.
К выходу умножителя напряжения подключен резистивный делитель R3, R4, напряжение с которого поступает на вход «сброс» (вывод 4) микросхемы DA1.
Характеристики этого делителя подобраны таким образом, что, если выходное напряжение по абсолютной величине превзойдет входное (напряжение питания), генерация прекращается. Четкое значение выходного напряжения можно регулировать подбором сопротивлений резисторов R3 и R4.

Рис. 14. Схема преобразователя-инвертора напряжения с задающим генератором на микросхеме КР1006ВИ1.
Свойства преобразователя — инвертора напряжения (рис 14) приведены в табл. 2.
Таблица 2. Свойства преобразователя-инвертора напряжения (рис. 14).
| Uпит, В | Івых, мА | Iпотр, мА | КПД, % |
| 6 | 3,5 | 13 | 27 |
| 7 | 6 | 22 | 28 |
| 8 | 11 | 31 | 35 |
| 10 | 18 | 50 | 36 |
| 12 | 28 | 70 | 40 |
Содержание / Contents
- 1 Вариант 1-ый: нужна постоянка 400 В
- 2 Вариант 2-ой: нужна постоянка 12/24/36/48 В
- 3 Практика по Варианту 1
- 4 Практика по варианту 2. Большой металлический трансформатор
- 5 Двухканальное зарядное устройство
- 6 Что вышло итого
- 7 Резюме
- 8 Файлы
Какая противная мелочь… Проверил щиток. Нет, это не у меня неувязка. Электроэнергии нет не только лишь у меня, да и в примыкающих домах. Уже увлекательнее… Для меня подобные вещи не являются неожиданностью. Аварийные фонари в доме есть всегда. Обычный атрибут в этом мире. Но! Супруге нужен фен! На работу же идём, а не картошку копать! А света нет. Аварийные бигуди есть, но их применение откладывается из-за «а вдруг на данный момент включат?». Но в ответ — тишь. Только писк UPS.
И здесь супруга произносит фразу, которая в принципе и задала мне направление для исследовательских работ: — У тебя же UPS может питать ПК? Давай к нему подключим фен? Все очень просто, как блин. Я даже не стал вдаваться в тонкости прохладного запуска UPS на тяжелую нагрузку, мощность фена, несовпадения розеток там и там, пустую трату времени и остальные несущественные исходя из убеждений обычной логики вещи, просто произнес: — Не потянет. Это не уверило. Да и тема закрылась сама собой. А вот мысль то осталась.
Понятно, что свет дали через два часа, когда фен уже и не нужен был, и что подобные проблемы случаются раз в пару лет, но вот я всё же решил хотя бы почитать о том, как решают подобные задачки вообщем. Изучить, так сказать, матчасть.
А далее стало просто любопытно. Итак. Что мы имеем? Источник неизменного тока — аккумулятор. Заряженный хоть каким методом — к примеру от солнечных батарей, ветрогенератора, генератора авто мотора, просто от электросети.
Задачка — получить с него стандартную электронную сеть маленький мощи. К примеру, для того-же фена, телека, компьютера и остального, когда рядовая электросеть по различным причинам недосягаема.
И как прогрессивное население земли решает эту делему? Преобразователем неизменного напряжения в переменное. В простонародье — инвертор. Но тут появляется вопрос — какой инвертор? Какие необходимы характеристики, свойства и прочее?
При исследовании вопроса было выявлено несколько главных путей. Потому что необходимо получить переменный ток, инверторы «изготавливают» две формы переменного напряжения.
1. Modified sine wave
— измененная синусоида, применяется в дешевых UPS и инверторах, обычно выходит при использовании двухтактного массивного каскада и трансформатора либо H-моста и трансформатора.

2. Pure sine wave
— незапятнанная синусоида. Выходит, обычно, с внедрением ШИМ. Применяется в более дорогих UPS, также UPS двойного преобразования, более сложных и дорогих инверторах.

В принципе, вопрос выбора схемотехники не стоял вообщем. Есть масса полудохлых UPS, можно даже при желании сломать и обычный, но только вот вопрос в том, что они все все таки modified типа, а обычных у меня есть всего два либо три, и их искренне жаль разламывать.
Как по другому, не ломая ещё полностью живой UPS, можно получить контроллер с PWM?
Кто-то спросит — что, для фена непременно pure sine? Лицо не треснет? Так ведь если делать, так обычный, чтобы не было ограничений по типу нагрузки. А вдруг завтра холодильник пригодится? Собрать мультивибратор — я это делал в радио кружке. Пилить прошивку контроллера для PWM? А смысл? Приобрести? Не спортивно. Кинуть? Так уже появился энтузиазм!
После долгих поисков у китайцев, в интернет-магазинах и просто так, была случаем найдена в продаже плата. Просто интегральная схема EGP1000W для производства киловаттного инвертора с обычным синусом на базе неведомого мне контроллера EG8010.
Набираем в поисковике «EG8010» и вот, оказалось, друзья из Китая уже создают то, что мне необходимо. Занимается этим компания EG Microelectronics Corporation . Китай. Провинция Чжэцзян. Есть британский даташит. Создают версии однофазовые и трехфазные.
И поболее того, китайцы создают сразу готовые модули EGS002 и даже с экраном и драйверами!
Сам контроллер достаточно многофункциональный. Характеристики настраиваются наплавляемыми перемычками на плате — частота, Dead time. Есть индикация состояния на светодиоде. Стабилизация выходного напряжения. Порог — 3 В. Контроль и измерение потребляемого нагрузкой тока, на этом измерении завязана защита от перегрузки. Порог — 0,5 В. Термоконтроль выходных ключей наружным сенсором с включением вентилятора по достижении температуры 45°. Термодатчик — 10К*25°С.
На экран модуля EGS002 выводится: 1. Выходное напряжение. 2. Частота. 3. Потребляемый нагрузкой ток. 4. Температура ключей.
Плата EGS002 управляет H-мостом. Работа с различными режимами PWM (bipolar, unipolar). Прикольно, да?
Ниже приведены примеры использования блока EGS002 в 2-ух методах получения переменного напряжения 220 В.
Умощненный преобразователь-инвертор на микросхеме КР1006ВИ1
На последующем рисунке показана еще одна схема преобразователя напряжения на микросхеме КР1006ВИ1 (рис. 15). Рабочая частота задающего генератора 8 кГц.
На его выходе включен транзисторный усилитель и выпрямитель, собранный по схеме удвоения напряжения. При напряжении источника питания 12 б на выходе преобразователя выходит 20 В. Утраты преобразователя обоснованы падением напряжения на диодиках выпрямителя-удвоителя напряжения.

Рис. 15. Схема преобразователя напряжения с микросхемой КР1006ВИ1 и усилителем мощи.
Плата для сборки инвертора EG8010
Кроме egs002, на трансформаторе так же есть плата eg8010. Это особая плата, при помощи которой возникает возможность достаточно стремительно собрать инвертор 12/220, используя мостовую схему, с незапятнанным синусом, который появится на выходе. eg8010 так же имеет драйверы для управления ключами. Самый пользующийся популярностью из драйверов – IR2110. Таким образом, обе платы, egs002 eg8010 на трансформаторе полностью могут употребляться совместно.
Контроллер, как еще можно именовать плату eg8010, имеет достаточно большой функционал. Все характеристики, такие как частота, можно настроить вручную, используя переплавляемые перемычки. На светодиоде платы есть индикатор состояния. Не считая этого, в контроллере есть стабилизатор выходного напряжения с порогом до 3 В, а так же – измерение и анализ применяемого тока.

Преобразователь напряжения-инвертор на базе ТТЛ-микросхем
Как и для других схожих устройств, выходное напряжение преобразователя значительно находится в зависимости от тока нагрузки.
ТТЛ и КМОП-микросхемы могут быть применены для выпрямления тока. Развивая тему, создатель этой идеи Д. Катберт предложил бестрансформаторный преобразователь напряжения-инвертор на базе ТТЛ-микросхем (рис. 7).

Рис. 17. Схема инвертора напряжения на базе 2-ух микросхем.
Устройство содержит две микросхемы: DD1 и DD2. 1-ая из них работает в качестве генератора прямоугольных импульсов с частотой 7 кГц (элементы DD1.1 и DD1.2), к выходу которого подключен инвертор DD1.3 — DD1.6.
2-ая микросхема (DD2) включена необыкновенным образом (см. схему): она делает функцию диодов. Все ее элементы-инверторы для роста нагрузочной возможности преобразователя включены параллельно.
В итоге такового включения на выходе устройства выходит инвертированное напряжение -U, приблизительно равное (по абсолютной величине) напряжению питания. Напряжение питания устройства с КМОП-микросхемой 74НС04 быть может от 2 до 7 В. Примерный российский аналог — ТТЛ-микросхема типа К555ЛН1 (работает в более узеньком спектре питающих напряжений) либо КМОП-микросхема КР1564ЛН1.
Наибольший выходной ток преобразователя добивается 10 мА. При отключенной нагрузке устройство фактически не потребляет ток.
Главные понятия
Для того, чтоб лучше углубиться в тему и осознать механизм работы практических схем, перечислим главные элементы, их предназначение и свойства.
Инверторы
Инвертор – это устройство, нужное для преобразования неизменного тока в переменный. Хоть какой инвертор может воспроизводить две различные формы переменного напряжения: измененную синусоиду и чистую синусоиду. Измененная применяется в экономных UPS и возникает обычно в итоге использования двухтактным массивным каскадом с трансформатором.
Незапятнанная синусоида нужна для UPS подороже, которые тоже владеют двойным преобразованием, но для более проф инверторов.
XX инверторы
В каждом инверторе есть режим ХХ, который обозначает не дешевое первичное потребление. Это потребление всегда можно уменьшить, но проще вырубить его без излишней нагрузки, так как в данном случае совершенно не будет потреблять. Это и именуется уменьшением хх инверторов egs002 на трансформаторе.
Контроллер
Более необходимыми, чем инверторы, являются такие устройства, как контроллеры. Они представляют собой устройства, которые позволяют обрабатывать цифровые сигналы. В большенном количестве сфер, где ранее использовались электромеханические реле, заместо них стали интенсивно употребляться контроллеры. В особенности нередко они используются в сферах автоматизации.

Источник: vsamodelino.ru
Возможно интересно:
Смотрите также: